ERV管道 |已上传计划评审在2021年2月12日下午02:19 谁能告诉我这个ERV安装的供电管道设计是否最佳?与五五开Y相比,怀似乎限制了气流到达45度肘关节。 回答 GBA详细信息库 根据气候和房屋部分,收集了1000个建筑细节 搜索和下载施工细节 加入领先的建筑科学专家社区 成为GBA Prime会员,即时获取绿色建筑领域的最新发展、研究和报告。 开始免费试用 相关问题 ERV管道问题 ERV管道 ERV管道 ERV管道 回复 trojax|2021年2月12日下午04:05分|# 1 看起来这个图表没有正确连接。 woodguyatl|2021年2月12日07:03pm|#2 我有收集灰尘的经验,而不是ERV,所以用这个FWIW。由于ERV的体积小,这两种方法可能都没有优势。通常情况下,图中的怀叶可能是首选,因为它增加较少的阻力,较长的持续流动,自然会有更多的总阻力,由于较长的管道。 专家成员 阿尔卑斯山脉|2021年2月12日09:18pm|# 3 单位的流量是多少,管道运行的尺寸和长度是多少? 一般来说,你需要一些平衡气流的方法,这比每个寄存器附近的阻尼器比风管设计要容易得多。风管设计的目标应该是使其接近设计值,但在调试系统时,您希望将其设置为设计值,因此总是需要一些调整手段。 由于房间没有标签,很难猜测东西都去了哪里,但看起来所有陈旧的空气收集器都在浴室里。烹饪通常是室内空气污染物的最大来源之一,所以你需要一个较大(~65CFM)的提升。我想这是你画中缺少的。一旦你添加了厨房回收器,一辆典型的ERV就有足够的能力清理一个浴室和两个一般大小,除非非常大,否则它无法清理4个浴室+厨房。通常最好的办法是把ERV拾音器放在最常用的浴室里,在其余的地方放一个标准的排气风扇。管道也更简单。别忘了烘干机附近的一个小拾音器(10CFM),这是室内空气污染的另一个来源。 Eric Habegger|2021年2月13日上午04:39|# 4 我同意阻尼器的说法。我只会使用可调节的寄存器来平衡流量。抽油烟机应该总是使用他们自己的专用排气风扇,因为你不希望油脂进入ERV的热交换器。我认为它也可以作为熟食气味的主要减速器。在有淋浴的浴室安装ERV排气寄存器。带有两个排气口的100 cfm ERV不超过两个喷头。甚至这也可能是一种推动。当然,在浴室里使用升压开关。 专家成员 阿尔卑斯山脉|2021年2月13日上午09:29|# 6 抽油烟机是一种抽油烟机,它是任何房子的必备品,应该在外面通风。厨房里的ERV皮卡不是为范围而是为一般区域。它应该离靶场不远,至少8英尺远,远离任何油渍。没有抽油烟机有100%的捕获效率,很多会逃到房间/区域,你需要有一个方法尽快耗尽这些。 在我自己家里,用一台性能良好的抽油烟机,用ERV大约需要2小时才能将pm2.5水平降至基线。没人会让抽油烟机开那么久来净化空气。 即使是像烤面包这样简单的事情也会增加pm2.5水平。抽油烟机解决不了这个问题,但ERV可以。 查理•沙利文|2021年2月13日08:30|# 5 这是我第一次听到有人建议在干衣机附近安装排气管。一个快速谷歌发现一些文章关注从室外烘干机通风口排放的洗衣产品的香味,但在室内靠近烘干机的地方并没有特别的问题。我猜一个无气孔热泵烘干机会把这些香味散发到室内空气中。有些可能在冷凝物中,但我不会指望那——最好使用无气味的洗衣产品,特别是与热泵干燥机。一个气体干燥机也会是一个燃烧气体的问题,如果它不能正确地发泄。 你关心的是哪一个? 专家成员 阿尔卑斯山脉|2021年2月13日09:37am|# 7 没有干燥机是气密的,甚至在干燥机内部连接泄漏。除了挥发性有机化合物,许多微纤维被耗尽,加上一些绒毛总是逃脱绒毛陷阱。我在干衣机旁边的皮卡上有一个进气过滤器,它比其他的需要更多的清洁。这是用胶带和密封排气连接,比一个典型的家庭会更紧密。 登录或创建一个帐户发布答案。 报名 登录
回复
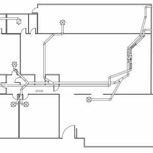
看起来这个图表没有正确连接。
我有收集灰尘的经验,而不是ERV,所以用这个FWIW。由于ERV的体积小,这两种方法可能都没有优势。通常情况下,图中的怀叶可能是首选,因为它增加较少的阻力,较长的持续流动,自然会有更多的总阻力,由于较长的管道。
单位的流量是多少,管道运行的尺寸和长度是多少?
一般来说,你需要一些平衡气流的方法,这比每个寄存器附近的阻尼器比风管设计要容易得多。风管设计的目标应该是使其接近设计值,但在调试系统时,您希望将其设置为设计值,因此总是需要一些调整手段。
由于房间没有标签,很难猜测东西都去了哪里,但看起来所有陈旧的空气收集器都在浴室里。烹饪通常是室内空气污染物的最大来源之一,所以你需要一个较大(~65CFM)的提升。我想这是你画中缺少的。一旦你添加了厨房回收器,一辆典型的ERV就有足够的能力清理一个浴室和两个一般大小,除非非常大,否则它无法清理4个浴室+厨房。通常最好的办法是把ERV拾音器放在最常用的浴室里,在其余的地方放一个标准的排气风扇。管道也更简单。别忘了烘干机附近的一个小拾音器(10CFM),这是室内空气污染的另一个来源。
我同意阻尼器的说法。我只会使用可调节的寄存器来平衡流量。抽油烟机应该总是使用他们自己的专用排气风扇,因为你不希望油脂进入ERV的热交换器。我认为它也可以作为熟食气味的主要减速器。在有淋浴的浴室安装ERV排气寄存器。带有两个排气口的100 cfm ERV不超过两个喷头。甚至这也可能是一种推动。当然,在浴室里使用升压开关。
抽油烟机是一种抽油烟机,它是任何房子的必备品,应该在外面通风。厨房里的ERV皮卡不是为范围而是为一般区域。它应该离靶场不远,至少8英尺远,远离任何油渍。没有抽油烟机有100%的捕获效率,很多会逃到房间/区域,你需要有一个方法尽快耗尽这些。
在我自己家里,用一台性能良好的抽油烟机,用ERV大约需要2小时才能将pm2.5水平降至基线。没人会让抽油烟机开那么久来净化空气。
即使是像烤面包这样简单的事情也会增加pm2.5水平。抽油烟机解决不了这个问题,但ERV可以。
这是我第一次听到有人建议在干衣机附近安装排气管。一个快速谷歌发现一些文章关注从室外烘干机通风口排放的洗衣产品的香味,但在室内靠近烘干机的地方并没有特别的问题。我猜一个无气孔热泵烘干机会把这些香味散发到室内空气中。有些可能在冷凝物中,但我不会指望那——最好使用无气味的洗衣产品,特别是与热泵干燥机。一个气体干燥机也会是一个燃烧气体的问题,如果它不能正确地发泄。
你关心的是哪一个?
没有干燥机是气密的,甚至在干燥机内部连接泄漏。除了挥发性有机化合物,许多微纤维被耗尽,加上一些绒毛总是逃脱绒毛陷阱。我在干衣机旁边的皮卡上有一个进气过滤器,它比其他的需要更多的清洁。这是用胶带和密封排气连接,比一个典型的家庭会更紧密。