你认为这些计划怎么样? 丽贝卡Surprenant|发布计划评审在2011年5月15日08:29 在热桥接、加热等方面....我和我的妻子正在考虑建造,我们喜欢这些计划中提出的想法。如有任何意见将不胜感激。谢谢约翰和丽贝卡http://www.builditsolar.com/Projects/SolarHomes/MAZeroEnergy/Plans.htm 回答 加入领先的建筑科学专家社区 成为GBA Prime会员,即时获取绿色建筑的最新发展、研究和现场报告。 开启免费体验 相关问题 你怎么看这篇关于Solitex Mento WRB vs ZIP系统的文章? 你觉得这个工作用的伸缩管怎么样? 你觉得新西兰的这座新建筑怎么样? 你觉得这个墙妆怎么样? 回复 大卫Meiland|2011年5月15日10:06 PM|#1 快速的印象……我喜欢它。小型,超简单的形状,纤维素墙和阁楼与相当不可避免的次板泡沫。在原本是急需的存储/生活空间的地方有一个大水箱会让我感到烦恼,但这可能是必要的邪恶。你的场地有良好的太阳能接入吗? 大卫·麦克尼利|5月16日2011年10:45 AM|#2 在生活方面,一间浴室的布置要求每个卧室的居住者穿过大多数公共空间,然后走过暴露的公用设施!奖励是一间小浴室。这让我想起了最初改造成室内管道的房子,唯一的对比是后面的户外厕所。建造者可以做的最逼真的事情之一是创建一个持续很长时间的建筑物。设计可居住的空间是根本的。创造一个让人们感到善于生活的空间,这是一个与能量计算不同的回报,但对长期的节能未来可能更为重要。两者不能互斥! 丽贝卡Surprenant|5月16日2011年12:02 PM|#3 谢谢你们对你的回应。我同意你的意见布局......不太高效。我们应该提到我们在建筑方面正在寻找意见。墙壁,板坯等。而不是布局。再次感谢您的意见!为了回答David Meiland,是的,我们的太阳能放在南部,东西和西侧落叶树的距离很大。 大卫Meiland|2011年5月16日12:14|#4 至于平板,这是计划中最不环保的部分,我想你可以考虑一个爬行空间。阅读当前的封闭爬行空间博客了解更多。每种方法都有明显的缺点。 杰克Woolfe|2011年5月17日11:54|# 5 屋顶部分显示你可以使用CDX上的固定金属缝屋顶,或2x4水平绑带上的固定金属缝屋顶。有没有人能给我提供一个更详细的水平捆扎组装? *金属屋顶必须竖立接缝,还是可以是金属屋顶的外螺纹型型?我的关注是暴露的紧固件型金属屋顶的重叠接缝是否与驻扎接缝相比这种施工的充分防雨? *对于寒冷的气候,除了这个屋顶组件还有其他组件吗a)金属屋顶b) 2 x4捆扎C)椽或桁架D)阁楼地板绝缘松动?没有建筑包装纸或毡纸等?潮湿的空气通过拱腹或山墙通风口进入,并在金属屋顶较低的一侧冷凝,以及从房子内部带来温暖潮湿空气的任何空气泄漏会有问题吗? 大卫Meiland|2011年5月17日10:07 PM|#6 潮湿的空气通过拱腹或山墙通风口进入,并在金属屋顶较低的一侧冷凝,以及从房子内部带来温暖潮湿空气的任何空气泄漏会有问题吗? 这对我来说绝对是个大问题。我将安装在没有毛毡的檩条上的整个金属屋顶拆除,并将它们重新安装在有毛毡的坚实甲板上(在拆除檩条后),以消除金属底部的滴漏。 几个星期前,我不得不修理一个安装在檩条上的损坏的金属屋顶。毛毡是垂直下放的。头痛得厉害。我安装金属的唯一方法是超过30#毡和5/8" CDX层。 至于你的问题,我会毫不犹豫地把它安装在毛毡和胶合板上。如果按照制造商的说明(可以相当详细和具体)来做,应该不会有问题。在我看来,从一个在你的地区有大量销售屋顶并且熟悉气候的制造商那里购买是明智的。 詹姆斯•摩根|2011年5月18日08:03|# 7 完全同意David McN的观点。这栋房子最不环保的地方不是它的平板,而是它糟糕的布局,这是一个“技术”房子的典型例子,它围绕一套抽象的工程理念设计,而忽略了任何生活质量的概念。这是一个非常非常快就会厌倦的家,导致很多好的材料简单地浪费了。你坐在哪里?你在哪里吃饭?没有地方摆餐桌,厨房为什么占这么大的地方?水电费怎么不在储藏室?当你带着玩具冲进去的时候,孩子在哪里玩,你不会被她绊倒?当你厌倦了把三居室的房子塞进(勉强)两居室的空间里,扩张的潜力又在哪里呢? GBA编辑器 马丁·霍洛拉|2011年5月18日上午09:06|#8 詹姆斯,你有点苛刻。许多欧洲人居住的空间比这小得多,美国人有理由不那么快就谴责这样一个紧凑的计划。 Q。“你坐在哪儿?” a .家具不展示,但你可以在厨房的南面放一张沙发和几把椅子,以及一张小餐桌。 Q。“你在哪里吃饭?” A.在计划中没有出现的餐桌上。 Q。“没有餐桌的地方,为什么厨房要占这么大的空间?” A.也许是因为老板喜欢做饭! Q。“水电费为什么不在mudroom?” 答:没有炉子,因为房屋用无管式的小普利单位加热。泥室偶尔会偶尔冻结,所以热水器是正确的。 Q。“孩子把玩具放在地板上玩,你拿着杂货冲进去的时候不会被她绊倒吗?” 答:我的父母在一个小小的房子里筹集了4个孩子。 Q。“如果你厌倦了把三居室的房子塞进(勉强)两居室的空间里,扩张的潜力在哪里?” A.哦,现在来吧,詹姆斯 - 你不认识到房主会雇用你设计加入吗? 大卫Meiland|2011年5月18日上午10:54|#9 “过去的小房子……我们的房子大约在1923年,1120平方英尺,两床一卫。这些年来,我在社区里遇到过不少住在这所房子里的人。其中一个对我说……"我在那所房子里养大了三个儿子"去任何建于50年代或更早的工人阶级社区,你会看到很多大约1000座旧金山家庭住宅。 我同意布局并不理想,但这不是OP的一部分。 詹姆斯•摩根|2011年5月18日12:59|#10 马丁和大卫M: 好的,我错了。这几乎并不像似乎微小的房子 - 当我被测量出来时,我被惊吓地发现,用泥房,它近1250 s.f。即使是12英寸的外墙,对于宽敞的三卧室家庭应该是非常充足的。不幸的是这个计划不是它。 没有展示家具。好的,在那里画出从前门到厨房到卧室再到浴室的3英尺循环通道。根据我的估算,这将在主房间的左下角留下一个大约120磅的不规则空间。我想知道怎样才能把一张沙发、两把椅子和一张餐桌放进去。我知道我做不到,我就是干这行的。 回复:泥浆室-是的,我知道了,泥浆室就像木头上的一块,冻掉了它的屁股。我们总是把泥浆室作为主要建筑外壳的一部分,这样它就可以安全地容纳脆弱但不美观的机械部件。你为什么不那么做?关于寒冷的乡村泥浆室有什么特别的地方吗(我想这是在MA,虽然没有明确说明)我不明白? 紧凑型欧洲住宅:主要是联排别墅和公寓。背景决定一切。 回复:扩张。我的观点是这样做并不好玩。更好地避免挫折和痛苦,只是首先计划它。 回复:不是op的一部分,那又怎样?适合的目的是耐久性和性能的核心,应该被认为是绿色建筑的关键,就像机械系统或外壳策略的任何部分一样——也许更重要,因为它是如此之难的事后升级。当木匠、工程师、水管工和所有参与这个过程的人都被期望成为游戏中的佼佼者时,你为什么要接受不合格的空间规划(是的,它确实很糟糕)?你可能会觉得很苛刻,但你们绝不会接受一个糟糕的闪光细节。这有什么不同呢? GBA编辑器 马丁·霍洛拉|5月18日2011年01:23 PM|#11 詹姆斯,我的卧室没有暖气。我更喜欢这样——我为什么要花钱给我的储藏室供暖呢?当然,你喜欢的把一间密室带进家里的空调空间的设计当然是可行的。它真正的意思是,你喜欢建造更大的房子,有更多的条件面积。 我不是说你不能这么做——尤其是如果你能负担得起能源账单的话。但是,如果有人正在研究如何在这个地球上更节俭地生活,不要太苛刻。 大卫Meiland|5月18日2011年02:09 PM|#12 我肯定会同意詹姆斯的看法,那就是平面图非常缺乏。我下载了房子网站上的“海报”链接,花了15秒看了看双层墙的细节、能量后跟阁楼和简单的形状,并做了一些简短的评论。大多数单宽预制板和双宽预制板的制造商都有更好的平面图,而我的房子——大约100年前由农民建造的——有更好的平面图和伟大的被动式太阳能设计。 GBA编辑器 马丁·霍洛拉|2011年5月18日下午02:37|# 13 大卫和詹姆斯,好吧,我承认你对交通路线的看法是对的。但我还没准备好把热水器放在冰冷的泥室里。它应该离浴室很近。 基斯Gustafson|2011年5月18日下午3点56分|# 14 我对评论的评论: 给这些可怜的人提点建议怎么样? 我在坎帕内利(Campanelli)的一个牧场长大,它们的基本大小相同,空间效率很高,它们所做的是把卧室分成L形,在一个角落里,在另一个角落里有一个浴室,这确实创造了一个走廊,但也创造了一个公共/私人区域。厚厚的墙壁让你觉得很挤,因为我觉得120平方英尺的儿童卧室太小了。如果你稍微放大一点(比如放大),你可以安排一个10 × 12、10 × 14的主卧和浴室,里面的壁橱占了30 × 24的面积,剩下一个18 × 24的大空间,只有机械设备需要处理。实际上,2011款的主卧还是有一个9x16的空间,可以用来放浴室、洗衣机和衣橱。我家有一个小浴室...... 没有地下室的存储不多...... 基斯Gustafson|2011年5月18日下午04:08|# 15 http://www.facebook.com/home.php?sk=group_68780060970#!/photo.php?fbid=10150236988836240&set=o.68780060970&type=1&theater 嘿嘿,几乎和我的童年家一样,只有倒在返回,火炬电器,那个人在柜台下的垫圈烘干机组合,冰箱挂在墙上。砖墙后面是一个4英尺的立方体,燃气锅炉居住。 詹姆斯•摩根|2011年5月18日下午6点47分|# 16 马丁:你从哪里知道我“喜欢盖更大的房子”?小房子更有趣,只是很难让客户委托或银行为它们融资。碰巧我现在在960 s.f.有一套两居室的房子在开发中,我很喜欢它。 基思:好主意,让我们是积极的。今天下午我有几个免费的时间免费,另外一个布局勾勒出来 - 为人们设计的房子,而不是用于管道。我正在清理它的过程,我很快就会发布。 詹姆斯•摩根|2011年5月18日下午07:05|# 17 这里我们开始-完全相同的足迹- 1248 s.f.,相同的12英寸外墙-但更短的周长8线性英尺和两个更少的角。这应该很容易支付绝缘的泥房与房子相同的标准。你会注意到这里有摆放真正的家具的空间,那种真正的人往往会拥有的家具。一张六人用餐的全尺寸餐桌。是的,热水需要输送到更远的浴室和厨房——它可以做到这一点,它不会累。你更愿意住哪一栋房子? 约翰·布鲁克斯|2011年5月18日下午7:55|#18 詹姆斯,你的设计好得多。好的设计不需要“成本”……支付 杰克Woolfe|2011年5月18日08:26 PM|# 19 詹姆斯,我对你们960 s.f.的平面布置图很感兴趣,如果你愿意也寄过来的话。谢谢 基斯Gustafson|2011年5月18日08:45|# 20 瞧,这下好了 Gimme进入衣柜,我卖了......... 詹姆斯•摩根|2011年5月18日09:42pm|#21 约翰,谢谢,我同意。杰克,2BR是为付费客户定制的所以我还没准备好分享。基思,多功能泥房提供入口壁橱存储,这也是备用储藏室,机械室和一个方便的地方喂狗。 詹姆斯•摩根|5月18日2011年09:52 PM|# 22 无耻的商业部门:对居住在大房子里的小房子的定制设计感兴趣的北卡罗来纳州读者:我真的很想听到你们的声音。http://www.BellaDomus.com.引用约翰·布鲁克斯的话——好的设计不会产生成本,它会带来回报。 大卫Meiland|2011年5月18日晚上10:29|#23 詹姆斯把球打出了球场! 基斯Gustafson|2011年5月18日晚上11:11|# 24 我拿到了mudroom,但是当姻亲们过来的时候,他们的外套就会盖在家具上 对不起,我生活在基本上是一个凸起的牧场,你很难让门口的客人在没有掉下来的楼梯上找不到外套的地方,称为偷偷摸摸。 我希望每个人都注意到卧室有多大,有用的公共空间的数量非常好。 GBA编辑器 马丁·霍洛拉|2011年5月19日09:31 AM|#25 詹姆斯,我同意共识 - 这是一个更好的设计。 但是,如果我理解正确的话,你还是增加了调色面积,因为你的密室是调色的,而原来的密室不是。但我不认为面积的增加会导致能源账单的大幅增加。 我也不确定客厅里那个黑色的东西是什么——可能是一件带电视机的家具吧。如果你把它去掉,你的交通流量就会改善。 但总的来说,这是一个更好的设计。 詹姆斯•摩根|2011年5月19日上午10:57|# 26 是的,有条件的空间增加了96平方英尺,以改善功能。它没有增加建筑面积,不应该有任何重要的能源消耗,而且几乎可以肯定的是,通过去掉两个角落的足迹和允许更简单的屋顶,建筑成本已经降低。 更深层的计划可能会增加太阳能板的屋顶面积——我不清楚原来计划中不对称山墙的原因,也不确定那部分的哪个方向是南的——大概是那个纬度的8/12斜坡??就我个人而言,我倾向于对称的山墙屋顶和9英尺高的平顶(我们喜欢南方更高的天花板和吊扇)。这将为泥浆室天花板上的ERV设备提供足够的空间,并为脊柱墙北侧穿过卧室的天花板管道提供足够的空间。我可能会放弃主肋或类似的固定接缝-在这里有一个很大的成本差异,这几乎是不合理的性能改进,除非你有一个真正复杂的切割屋顶。 杰克Woolfe|2011年5月19日11:19|# 27 至于平板,这是计划中最不环保的部分,我想你可以考虑一个爬行空间。阅读当前的封闭爬行空间博客了解更多。每种方法都有明显的缺点。 如果板坯和爬虫空间有显着的缺点,那么更好/更环保的基础组件(冷酷的气候)? 大卫·麦克尼利|2011年5月23日上午09:14|# 28 当然,詹姆斯已经极大地改进了设计,但仍然缺乏,因为它脱离了网站。第一个问题必须是,“我如何将客户的优先级与网站的最佳属性结合起来?” 约翰和丽贝卡,你们在哪里度过最快乐的时光?如果坐在阳光明媚的早餐角落里读报纸、喝咖啡是你一天中最美好的时光,为什么你要在没有额外的15平方英尺的情况下建造你的房子呢?如果与朋友和家人围坐在餐桌旁是你的乐趣,而且你有一半的周末都在那里度过,那就把它放在家里最好的地方。任何带有朝南广阔视野的客厅的房子,转售时的价值都要高得多。就我个人而言,我想要一个可以很好地使用烤架、堆肥堆和花园的厨房(即使是在MN,我一年也要烤12个月)。我最大的乐趣之一就是开着窗户睡觉,晚上听蟋蟀叫,黎明听鸟叫,所以我总是选择一间卧室不用拉窗帘的房子。 我希望每个人都能认识到,一个房子的内部拥有比其他部分更有价值的房地产。房子最好的部分在拐角处,朝南。下一个最好的部分面向视图(注意,朝南的视图与朝北的视图的体验是非常不同的)。房子的外部角落特别有价值,因为它们提供了两面的窗户,使空间愉快。 付钱给一个知道你的计划的人是经济的。如果他们不建议和你一起去野餐,在那里你可以悠闲地考虑一年中每个季节一天的不同时间,那就找别人吧! 例如,建筑设计师将知道浴缸和水槽之间额外的六英寸,例如,可以提供戏剧性的改善(通常那些六英寸容易从房子里的其他地方偷走)。空间之间的沟通和通过房子的流动应绝对是为客户的生活方式定制的。灯光和音质很少考虑,但如果由知道的人所做,但在这里肢额为小型投资提供了巨大的回报。 我刚看到一幢新的、昂贵的房子,它的南侧(在这个例子中是后面)面对着一个州立公园,建筑商选择了那面墙作为壁橱和浴室!我希望他能受到刑事指控。这是所有选择计划而不考虑地点的人所犯的常见罪行。 我最不能忍受的是,在这个国家,到处都是这样的房子:有一个两层楼高的门厅,还有一个主浴室,浴缸上方有一扇大窗户,浴缸很少使用。因此,为了保护隐私,房子里最好的窗户之一保留了下来,而昂贵的入口只用于特殊场合的客人。住在这所房子里的家庭为了炫耀牺牲了每天的快乐,因为建造者选择了形式而不是功能。(“这就是卖点”可能是最讽刺的说法了。) 另一方面,绿色建筑往往将功能置于形式之上。请注意:效率和设计不是相互排斥的!事实上,即使是一个令人不愉快的被动式节能屋也是对地球资源的浪费:它将无法存活几代人,而街道上的房子可能会愉快地浪费能源100年。 为了做出真正的改变,我们必须提供对每个人都有吸引力的选择,而不仅仅是改变的人。科学必须嫁给艺术! 詹姆斯•摩根|2011年5月23日09:58pm|#29 David对选址和朝向的评价是非常准确的,这就是为什么我们不设计特殊的住宅,为什么在平面上没有开窗——把它看作是一个概念的证明,一个真正的绿色住宅可以开发的矩阵。在地球上最珍贵的资源上建造一座全新的建筑是一种罕见的特权。人们很容易沉迷于技术而忘记这个简单的事实。任何渴望建造绿色建筑的人都应该以大卫的评论所建议的尊敬和尊重来处理规划和布局的主要行为。 GBA编辑器 马丁·霍洛拉|2011年5月24日05:30 AM|# 30 詹姆斯,你的方法既浪漫又吸引人,但有一个问题:如果“平面图上没有开窗”,就不可能设计出绿色住宅。 你的方法违背了你明显的信念,即窗户是一种美学装饰和欣赏风景的机会,而不是一个家庭的热外壳和冬季供暖的重要组成部分。改变开窗可以极大地影响房屋的热性能。大面积的北方玻璃的规划需要与大面积的南方玻璃的规划完全不同的设计。你不能只是和房主一起站在新镶框的底层,把每扇窗户都框起来,就为了看一棵漂亮的树。 詹姆斯•摩根|2011年5月24日08:25|# 31 “(我)显然相信窗户是一种美学装饰和欣赏风景的机会。” 马丁,我从没建议过这样的事我也不知道你是怎么从我写的东西中得出这个结论的。任何和每一面墙的渗透都是,或者应该是一种有意识的行为,以各种方式将建筑积极地融入环境。优秀的环境性能不是抽象的,它是特定的位置,没有理由在良好的太阳朝向和视觉外部连接的精神/情感/美学利益之间存在冲突。例如,在我目前正在设计的小房子中,我向我的客户展示了如何简单地编辑南侧的“坏”景观,以提供与北侧“好”景观同样多的情感舒适和与自然的联系。北侧将不作为住宅内部的主要景观元素,而是作为一个室外“房间”的一部分,其南侧由一个坐廊包围——这也是这个小房子的泥房和保护前门入口。/和,而不是非此即彼。 绿色建筑商不在洞穴业务中。两千年前Vitruvius着名地描述了建筑的伟大美德作为商品(适用于目的),坚定(耐用,稳定)和喜悦(丰富人类精神),以及设计任何规模和目的建筑物的人必须占所有三个如果建筑物受到良好的人类努力的良好谈话,从而忍受。我对OP的原始批评是商品的盈利失败。大卫增加了对讨论的喜悦 - 我不会把它带起来,但我很高兴他做到了。这只留下坚定的,我包括环境性能的热方面。这个论坛对三脚架腿的技术焦点是可以理解的,而不是受到任何不受欢迎的,但让我们不要忘记所有这些技术的角质都是什么。 GBA编辑器 马丁·霍洛拉|2011年5月24日上午09:30|# 32 詹姆斯,如果我误解了你对待窗户的方式,我道歉。但我仍然对你的陈述感到困惑,当你创造设计时,“平面图上没有开窗。”你从没解释过这是怎么回事。在我看来,这似乎非同寻常——与(比如)被动式节能屋的做法截然不同。 詹姆斯•摩根|2011年5月24日11:21 AM|# 33 马丁,对不起,我刚才没说清楚。这个平面图上没有开窗,因为它是不完整的,这是有充分理由的。虽然我觉得是安全的假设)拟议中的建筑工地在北半球北部和b)是原计划的顶部,因此墙底部的计划将因此成为我们的主要位置insolation-controlled朝玻璃窗我没有其他任何其他具体信息对场地的考虑,包括纬度、当地气候、邻近的建筑、树木等,这些都可能影响到具体的位置。我也想要David提到的房主的具体需求,想要和喜好,在布置任何像特殊的开窗一样重要的东西之前,我也非常紧迫的时间,不想让设计看起来比实际更完善。重申一下,这是对空间规划概念的证明,而不是一个完成的设计。 关于“两者/和”的主题,我想向教堂山NC的建筑师Jay Fulkerson最近的成就致敬,他被称为NC的第一个被动式住宅,它还设法将阳光直射和南向景色带入房子的每个房间——甚至地下室——所有这一切都在一个陡峭的朝北场地上,周围环绕着高大的松树。是的,你可以拥有它的一切-精湛的技术表演者的家可以有他们的商品和喜悦的全部份额。这是一个美人。http://www.jetsongreen.com/2011/03/first-passive-house-north-carolina.html哦,是的,在有人问我之前,这确实是一个中等规模的高端住宅。但一个更朴素的住宅绝对没有理由不受到同样的关注,让它充满活力。经常被忽视的一个简单的事实是,工程需求通常可以通过各种各样的方式得到满足,而其中只有少数可能是最适合当地的条件和居住在那里的人的。一个只满足工程要求,以牺牲人类需求的其他方面为代价的设计,无论以什么形式或形式都不能被称为绿色家园——它只是一个目的有限且(可能)寿命很短的工程实践。 登录或创建一个账户来发布答案。 报名 登录
回复
快速的印象……我喜欢它。小型,超简单的形状,纤维素墙和阁楼与相当不可避免的次板泡沫。在原本是急需的存储/生活空间的地方有一个大水箱会让我感到烦恼,但这可能是必要的邪恶。你的场地有良好的太阳能接入吗?
在生活方面,一间浴室的布置要求每个卧室的居住者穿过大多数公共空间,然后走过暴露的公用设施!奖励是一间小浴室。这让我想起了最初改造成室内管道的房子,唯一的对比是后面的户外厕所。
建造者可以做的最逼真的事情之一是创建一个持续很长时间的建筑物。设计可居住的空间是根本的。创造一个让人们感到善于生活的空间,这是一个与能量计算不同的回报,但对长期的节能未来可能更为重要。两者不能互斥!
谢谢你们对你的回应。我同意你的意见布局......不太高效。我们应该提到我们在建筑方面正在寻找意见。墙壁,板坯等。而不是布局。再次感谢您的意见!为了回答David Meiland,是的,我们的太阳能放在南部,东西和西侧落叶树的距离很大。
至于平板,这是计划中最不环保的部分,我想你可以考虑一个爬行空间。阅读当前的封闭爬行空间博客了解更多。每种方法都有明显的缺点。
屋顶部分显示你可以使用CDX上的固定金属缝屋顶,或2x4水平绑带上的固定金属缝屋顶。有没有人能给我提供一个更详细的水平捆扎组装?
*金属屋顶必须竖立接缝,还是可以是金属屋顶的外螺纹型型?我的关注是暴露的紧固件型金属屋顶的重叠接缝是否与驻扎接缝相比这种施工的充分防雨?
*对于寒冷的气候,除了这个屋顶组件还有其他组件吗
a)金属屋顶
b) 2 x4捆扎
C)椽或桁架
D)阁楼地板绝缘松动?
没有建筑包装纸或毡纸等?潮湿的空气通过拱腹或山墙通风口进入,并在金属屋顶较低的一侧冷凝,以及从房子内部带来温暖潮湿空气的任何空气泄漏会有问题吗?
这对我来说绝对是个大问题。我将安装在没有毛毡的檩条上的整个金属屋顶拆除,并将它们重新安装在有毛毡的坚实甲板上(在拆除檩条后),以消除金属底部的滴漏。
几个星期前,我不得不修理一个安装在檩条上的损坏的金属屋顶。毛毡是垂直下放的。头痛得厉害。我安装金属的唯一方法是超过30#毡和5/8" CDX层。
至于你的问题,我会毫不犹豫地把它安装在毛毡和胶合板上。如果按照制造商的说明(可以相当详细和具体)来做,应该不会有问题。在我看来,从一个在你的地区有大量销售屋顶并且熟悉气候的制造商那里购买是明智的。
完全同意David McN的观点。这栋房子最不环保的地方不是它的平板,而是它糟糕的布局,这是一个“技术”房子的典型例子,它围绕一套抽象的工程理念设计,而忽略了任何生活质量的概念。这是一个非常非常快就会厌倦的家,导致很多好的材料简单地浪费了。你坐在哪里?你在哪里吃饭?没有地方摆餐桌,厨房为什么占这么大的地方?水电费怎么不在储藏室?当你带着玩具冲进去的时候,孩子在哪里玩,你不会被她绊倒?当你厌倦了把三居室的房子塞进(勉强)两居室的空间里,扩张的潜力又在哪里呢?
詹姆斯,
你有点苛刻。许多欧洲人居住的空间比这小得多,美国人有理由不那么快就谴责这样一个紧凑的计划。
Q。“你坐在哪儿?”
a .家具不展示,但你可以在厨房的南面放一张沙发和几把椅子,以及一张小餐桌。
Q。“你在哪里吃饭?”
A.在计划中没有出现的餐桌上。
Q。“没有餐桌的地方,为什么厨房要占这么大的空间?”
A.也许是因为老板喜欢做饭!
Q。“水电费为什么不在mudroom?”
答:没有炉子,因为房屋用无管式的小普利单位加热。泥室偶尔会偶尔冻结,所以热水器是正确的。
Q。“孩子把玩具放在地板上玩,你拿着杂货冲进去的时候不会被她绊倒吗?”
答:我的父母在一个小小的房子里筹集了4个孩子。
Q。“如果你厌倦了把三居室的房子塞进(勉强)两居室的空间里,扩张的潜力在哪里?”
A.哦,现在来吧,詹姆斯 - 你不认识到房主会雇用你设计加入吗?
“过去的小房子……我们的房子大约在1923年,1120平方英尺,两床一卫。这些年来,我在社区里遇到过不少住在这所房子里的人。其中一个对我说……"我在那所房子里养大了三个儿子"去任何建于50年代或更早的工人阶级社区,你会看到很多大约1000座旧金山家庭住宅。
我同意布局并不理想,但这不是OP的一部分。
马丁和大卫M:
好的,我错了。这几乎并不像似乎微小的房子 - 当我被测量出来时,我被惊吓地发现,用泥房,它近1250 s.f。即使是12英寸的外墙,对于宽敞的三卧室家庭应该是非常充足的。不幸的是这个计划不是它。
没有展示家具。好的,在那里画出从前门到厨房到卧室再到浴室的3英尺循环通道。根据我的估算,这将在主房间的左下角留下一个大约120磅的不规则空间。我想知道怎样才能把一张沙发、两把椅子和一张餐桌放进去。我知道我做不到,我就是干这行的。
回复:泥浆室-是的,我知道了,泥浆室就像木头上的一块,冻掉了它的屁股。我们总是把泥浆室作为主要建筑外壳的一部分,这样它就可以安全地容纳脆弱但不美观的机械部件。你为什么不那么做?关于寒冷的乡村泥浆室有什么特别的地方吗(我想这是在MA,虽然没有明确说明)我不明白?
紧凑型欧洲住宅:主要是联排别墅和公寓。背景决定一切。
回复:扩张。我的观点是这样做并不好玩。更好地避免挫折和痛苦,只是首先计划它。
回复:不是op的一部分,那又怎样?适合的目的是耐久性和性能的核心,应该被认为是绿色建筑的关键,就像机械系统或外壳策略的任何部分一样——也许更重要,因为它是如此之难的事后升级。当木匠、工程师、水管工和所有参与这个过程的人都被期望成为游戏中的佼佼者时,你为什么要接受不合格的空间规划(是的,它确实很糟糕)?你可能会觉得很苛刻,但你们绝不会接受一个糟糕的闪光细节。这有什么不同呢?
詹姆斯,
我的卧室没有暖气。我更喜欢这样——我为什么要花钱给我的储藏室供暖呢?当然,你喜欢的把一间密室带进家里的空调空间的设计当然是可行的。它真正的意思是,你喜欢建造更大的房子,有更多的条件面积。
我不是说你不能这么做——尤其是如果你能负担得起能源账单的话。但是,如果有人正在研究如何在这个地球上更节俭地生活,不要太苛刻。
我肯定会同意詹姆斯的看法,那就是平面图非常缺乏。我下载了房子网站上的“海报”链接,花了15秒看了看双层墙的细节、能量后跟阁楼和简单的形状,并做了一些简短的评论。大多数单宽预制板和双宽预制板的制造商都有更好的平面图,而我的房子——大约100年前由农民建造的——有更好的平面图和伟大的被动式太阳能设计。
大卫和詹姆斯,
好吧,我承认你对交通路线的看法是对的。但我还没准备好把热水器放在冰冷的泥室里。它应该离浴室很近。
我对评论的评论:
给这些可怜的人提点建议怎么样?
我在坎帕内利(Campanelli)的一个牧场长大,它们的基本大小相同,空间效率很高,它们所做的是把卧室分成L形,在一个角落里,在另一个角落里有一个浴室,这确实创造了一个走廊,但也创造了一个公共/私人区域。厚厚的墙壁让你觉得很挤,因为我觉得120平方英尺的儿童卧室太小了。如果你稍微放大一点(比如放大),你可以安排一个10 × 12、10 × 14的主卧和浴室,里面的壁橱占了30 × 24的面积,剩下一个18 × 24的大空间,只有机械设备需要处理。实际上,2011款的主卧还是有一个9x16的空间,可以用来放浴室、洗衣机和衣橱。我家有一个小浴室......
没有地下室的存储不多......
http://www.facebook.com/home.php?sk=group_68780060970#!/photo.php?fbid=10150236988836240&set=o.68780060970&type=1&theater
嘿嘿,几乎和我的童年家一样,只有倒在返回,火炬电器,那个人在柜台下的垫圈烘干机组合,冰箱挂在墙上。砖墙后面是一个4英尺的立方体,燃气锅炉居住。
马丁:你从哪里知道我“喜欢盖更大的房子”?小房子更有趣,只是很难让客户委托或银行为它们融资。碰巧我现在在960 s.f.有一套两居室的房子在开发中,我很喜欢它。
基思:好主意,让我们是积极的。今天下午我有几个免费的时间免费,另外一个布局勾勒出来 - 为人们设计的房子,而不是用于管道。我正在清理它的过程,我很快就会发布。
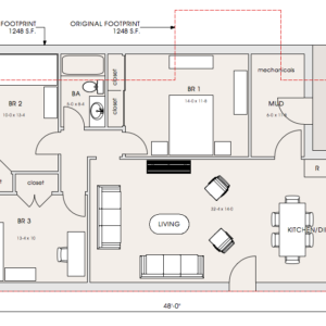
这里我们开始-完全相同的足迹- 1248 s.f.,相同的12英寸外墙-但更短的周长8线性英尺和两个更少的角。这应该很容易支付绝缘的泥房与房子相同的标准。你会注意到这里有摆放真正的家具的空间,那种真正的人往往会拥有的家具。一张六人用餐的全尺寸餐桌。是的,热水需要输送到更远的浴室和厨房——它可以做到这一点,它不会累。你更愿意住哪一栋房子?
詹姆斯,
你的设计好得多。
好的设计不需要“成本”……支付
詹姆斯,
我对你们960 s.f.的平面布置图很感兴趣,如果你愿意也寄过来的话。谢谢
瞧,这下好了
Gimme进入衣柜,我卖了.........
约翰,谢谢,我同意。
杰克,2BR是为付费客户定制的所以我还没准备好分享。
基思,多功能泥房提供入口壁橱存储,这也是备用储藏室,机械室和一个方便的地方喂狗。
无耻的商业部门:对居住在大房子里的小房子的定制设计感兴趣的北卡罗来纳州读者:我真的很想听到你们的声音。http://www.BellaDomus.com.引用约翰·布鲁克斯的话——好的设计不会产生成本,它会带来回报。
詹姆斯把球打出了球场!
我拿到了mudroom,但是当姻亲们过来的时候,他们的外套就会盖在家具上
对不起,我生活在基本上是一个凸起的牧场,你很难让门口的客人在没有掉下来的楼梯上找不到外套的地方,称为偷偷摸摸。
我希望每个人都注意到卧室有多大,有用的公共空间的数量非常好。
詹姆斯,
我同意共识 - 这是一个更好的设计。
但是,如果我理解正确的话,你还是增加了调色面积,因为你的密室是调色的,而原来的密室不是。但我不认为面积的增加会导致能源账单的大幅增加。
我也不确定客厅里那个黑色的东西是什么——可能是一件带电视机的家具吧。如果你把它去掉,你的交通流量就会改善。
但总的来说,这是一个更好的设计。
是的,有条件的空间增加了96平方英尺,以改善功能。它没有增加建筑面积,不应该有任何重要的能源消耗,而且几乎可以肯定的是,通过去掉两个角落的足迹和允许更简单的屋顶,建筑成本已经降低。
更深层的计划可能会增加太阳能板的屋顶面积——我不清楚原来计划中不对称山墙的原因,也不确定那部分的哪个方向是南的——大概是那个纬度的8/12斜坡??就我个人而言,我倾向于对称的山墙屋顶和9英尺高的平顶(我们喜欢南方更高的天花板和吊扇)。这将为泥浆室天花板上的ERV设备提供足够的空间,并为脊柱墙北侧穿过卧室的天花板管道提供足够的空间。我可能会放弃主肋或类似的固定接缝-在这里有一个很大的成本差异,这几乎是不合理的性能改进,除非你有一个真正复杂的切割屋顶。
如果板坯和爬虫空间有显着的缺点,那么更好/更环保的基础组件(冷酷的气候)?
当然,詹姆斯已经极大地改进了设计,但仍然缺乏,因为它脱离了网站。第一个问题必须是,“我如何将客户的优先级与网站的最佳属性结合起来?”
约翰和丽贝卡,你们在哪里度过最快乐的时光?如果坐在阳光明媚的早餐角落里读报纸、喝咖啡是你一天中最美好的时光,为什么你要在没有额外的15平方英尺的情况下建造你的房子呢?如果与朋友和家人围坐在餐桌旁是你的乐趣,而且你有一半的周末都在那里度过,那就把它放在家里最好的地方。任何带有朝南广阔视野的客厅的房子,转售时的价值都要高得多。就我个人而言,我想要一个可以很好地使用烤架、堆肥堆和花园的厨房(即使是在MN,我一年也要烤12个月)。我最大的乐趣之一就是开着窗户睡觉,晚上听蟋蟀叫,黎明听鸟叫,所以我总是选择一间卧室不用拉窗帘的房子。
我希望每个人都能认识到,一个房子的内部拥有比其他部分更有价值的房地产。房子最好的部分在拐角处,朝南。下一个最好的部分面向视图(注意,朝南的视图与朝北的视图的体验是非常不同的)。房子的外部角落特别有价值,因为它们提供了两面的窗户,使空间愉快。
付钱给一个知道你的计划的人是经济的。如果他们不建议和你一起去野餐,在那里你可以悠闲地考虑一年中每个季节一天的不同时间,那就找别人吧!
例如,建筑设计师将知道浴缸和水槽之间额外的六英寸,例如,可以提供戏剧性的改善(通常那些六英寸容易从房子里的其他地方偷走)。空间之间的沟通和通过房子的流动应绝对是为客户的生活方式定制的。灯光和音质很少考虑,但如果由知道的人所做,但在这里肢额为小型投资提供了巨大的回报。
我刚看到一幢新的、昂贵的房子,它的南侧(在这个例子中是后面)面对着一个州立公园,建筑商选择了那面墙作为壁橱和浴室!我希望他能受到刑事指控。这是所有选择计划而不考虑地点的人所犯的常见罪行。
我最不能忍受的是,在这个国家,到处都是这样的房子:有一个两层楼高的门厅,还有一个主浴室,浴缸上方有一扇大窗户,浴缸很少使用。因此,为了保护隐私,房子里最好的窗户之一保留了下来,而昂贵的入口只用于特殊场合的客人。住在这所房子里的家庭为了炫耀牺牲了每天的快乐,因为建造者选择了形式而不是功能。(“这就是卖点”可能是最讽刺的说法了。)
另一方面,绿色建筑往往将功能置于形式之上。请注意:效率和设计不是相互排斥的!事实上,即使是一个令人不愉快的被动式节能屋也是对地球资源的浪费:它将无法存活几代人,而街道上的房子可能会愉快地浪费能源100年。
为了做出真正的改变,我们必须提供对每个人都有吸引力的选择,而不仅仅是改变的人。科学必须嫁给艺术!
David对选址和朝向的评价是非常准确的,这就是为什么我们不设计特殊的住宅,为什么在平面上没有开窗——把它看作是一个概念的证明,一个真正的绿色住宅可以开发的矩阵。在地球上最珍贵的资源上建造一座全新的建筑是一种罕见的特权。人们很容易沉迷于技术而忘记这个简单的事实。任何渴望建造绿色建筑的人都应该以大卫的评论所建议的尊敬和尊重来处理规划和布局的主要行为。
詹姆斯,
你的方法既浪漫又吸引人,但有一个问题:如果“平面图上没有开窗”,就不可能设计出绿色住宅。
你的方法违背了你明显的信念,即窗户是一种美学装饰和欣赏风景的机会,而不是一个家庭的热外壳和冬季供暖的重要组成部分。改变开窗可以极大地影响房屋的热性能。大面积的北方玻璃的规划需要与大面积的南方玻璃的规划完全不同的设计。你不能只是和房主一起站在新镶框的底层,把每扇窗户都框起来,就为了看一棵漂亮的树。
“(我)显然相信窗户是一种美学装饰和欣赏风景的机会。”
马丁,我从没建议过这样的事我也不知道你是怎么从我写的东西中得出这个结论的。
任何和每一面墙的渗透都是,或者应该是一种有意识的行为,以各种方式将建筑积极地融入环境。优秀的环境性能不是抽象的,它是特定的位置,没有理由在良好的太阳朝向和视觉外部连接的精神/情感/美学利益之间存在冲突。例如,在我目前正在设计的小房子中,我向我的客户展示了如何简单地编辑南侧的“坏”景观,以提供与北侧“好”景观同样多的情感舒适和与自然的联系。北侧将不作为住宅内部的主要景观元素,而是作为一个室外“房间”的一部分,其南侧由一个坐廊包围——这也是这个小房子的泥房和保护前门入口。/和,而不是非此即彼。
绿色建筑商不在洞穴业务中。两千年前Vitruvius着名地描述了建筑的伟大美德作为商品(适用于目的),坚定(耐用,稳定)和喜悦(丰富人类精神),以及设计任何规模和目的建筑物的人必须占所有三个如果建筑物受到良好的人类努力的良好谈话,从而忍受。我对OP的原始批评是商品的盈利失败。大卫增加了对讨论的喜悦 - 我不会把它带起来,但我很高兴他做到了。这只留下坚定的,我包括环境性能的热方面。这个论坛对三脚架腿的技术焦点是可以理解的,而不是受到任何不受欢迎的,但让我们不要忘记所有这些技术的角质都是什么。
詹姆斯,
如果我误解了你对待窗户的方式,我道歉。但我仍然对你的陈述感到困惑,当你创造设计时,“平面图上没有开窗。”你从没解释过这是怎么回事。在我看来,这似乎非同寻常——与(比如)被动式节能屋的做法截然不同。
马丁,对不起,我刚才没说清楚。这个平面图上没有开窗,因为它是不完整的,这是有充分理由的。虽然我觉得是安全的假设)拟议中的建筑工地在北半球北部和b)是原计划的顶部,因此墙底部的计划将因此成为我们的主要位置insolation-controlled朝玻璃窗我没有其他任何其他具体信息对场地的考虑,包括纬度、当地气候、邻近的建筑、树木等,这些都可能影响到具体的位置。我也想要David提到的房主的具体需求,想要和喜好,在布置任何像特殊的开窗一样重要的东西之前,我也非常紧迫的时间,不想让设计看起来比实际更完善。重申一下,这是对空间规划概念的证明,而不是一个完成的设计。
关于“两者/和”的主题,我想向教堂山NC的建筑师Jay Fulkerson最近的成就致敬,他被称为NC的第一个被动式住宅,它还设法将阳光直射和南向景色带入房子的每个房间——甚至地下室——所有这一切都在一个陡峭的朝北场地上,周围环绕着高大的松树。是的,你可以拥有它的一切-精湛的技术表演者的家可以有他们的商品和喜悦的全部份额。这是一个美人。
http://www.jetsongreen.com/2011/03/first-passive-house-north-carolina.html
哦,是的,在有人问我之前,这确实是一个中等规模的高端住宅。但一个更朴素的住宅绝对没有理由不受到同样的关注,让它充满活力。
经常被忽视的一个简单的事实是,工程需求通常可以通过各种各样的方式得到满足,而其中只有少数可能是最适合当地的条件和居住在那里的人的。一个只满足工程要求,以牺牲人类需求的其他方面为代价的设计,无论以什么形式或形式都不能被称为绿色家园——它只是一个目的有限且(可能)寿命很短的工程实践。