新的板坯,辐射热
作为我们旧金山北部北部的Remodel(邮政编码94941)的一部分,我们正在将大约700SF的较低水平转换为生活空间。现有的板坯已被删除,我们挖掘了几英寸以增加我们的天花板高度,我们正准备回到一个新的5“板坯,我们也将增加与钢筋相关的辐射热量。
我刚刚遇到了一些信息,如混凝土板下的聚乙烯和板块下的聚乙烯 - 没有遮光剂砂,这对我来说令人担忧,因为他们似乎与我们的建筑师提出的设计相矛盾。
我们的建筑师呼吁是(从上到下):
- SSD浓缩板块
- 1“刚性绝缘
- 最小6mil wpm.
- 2“沙子
- 6“碎石
- 4“直径穿孔管基础排水管
板坯将是5英寸。
我也附上了一个新的板坯细节的图像。
是上述合适层结构还是我们需要修改?
我们不想改变的一件事是混凝土板和辐射热。所以我基本上对这一点到板块低于板块的感兴趣。
我们真的不想担心再次触摸那个平板!
谢谢!



答案
Torsten,
您可能希望敦促您的架构师阅读您所做的相同文章。您可能会提及美国混凝土研究所不再支持错误的遮挡砂是有益的错误的想法。在2001年4月的混凝土国际杂志上,ACI建议,对于具有蒸汽敏感涂层的板(即,几乎任何地板),应直接安装蒸汽延迟器,没有颗粒填充层。2001年11月,ACI包括新版ACI标准302.1R-96中的更新建议。
所以,沙层不应该在那里。即使在加利福尼亚也,在加热的板块下,1英寸的刚性泡沫也不够。你需要至少2英寸 - 更多 - 在板下的刚性泡沫更好。
如果他们坚持在泡沫下方6米隆,那么也没有真正的下侧,也可以将poly在泡沫上方施加。
我不喜欢的细节有几个问题,并非最不重要的是,这是板坯和等级光束基础之间缺乏热断裂。不仅需要超过一英寸的泡沫(2英寸的EPS是加热板坯的最小值,3“更好)。即使有一个未加热的板坯,你想要1“在平板边缘的舒适度,也许在周边上的1”子板,但是对于在板块下方的加热板上,而且可以为2“(r8.4),板坯和等级光束之间的至少1.5英寸(R6.3)。
“浮动”机械地以及热量,这可能使其从地震/结构的角度来看,但咨询当地代码将是谨慎的。如果梁和板坯必须出于某种原因与之接触,则将要求1.5英寸的EPS。
感谢您的反馈。我将与承包商和建筑师循环回来至少到2“刚性绝缘。在这种情况下,我可以牺牲沙子,因为我宁愿不必牺牲天花板高度?
但是,关于从现有的基础墙上脱钩新板块,我认为这将是困难的,因为工程师呼吁 - 看起来是什么, - 一些强大的联系:
有的话关于如何连接到现有的基础墙的详细信息在一边。
有的话关于如何连接到新茎墙的详细信息在该地区的背面,将新空间与旧板覆盖的向上倾斜的爬行空间分开。
有的话关于如何连接到新的基础墙填充的详细信息以前一扇门已经在哪里。
我确实在我气候中的某个地方阅读,从侧面基础墙壁上脱钩,虽然有用,但并不像较冷的气候那样至关重要。那是对的吗?
关于2“绝缘和安装Pex管与板坯,鉴于上面,我现在正在考虑碎片T45或S20。对这些的任何想法或意见?还有其他类似的产品,这是较便宜的吗?
如果它只是一个平板,则从未绝缘的基础墙上解耦的板块在非常温带的美国区域3C气候中并不是关键,而IRC区域3中不需要平板边缘。
但是当板坯成为加热散热器时,它确保了!如果是铸铁散热器,它是将散热器的末端暴露在户外的热量等同物。
碎片看起来会好起来好,但通过将管道放在板块的底部,它与中间相反,板坯有点响应 - 有一个略大的时间滞后。在实践中可能并不重要。我不知道它是如何定价的,但它可以节省劳动力的加热安装端。平滑2“平板下的厚型II厚EPS通常运行每平方英尺75-85美元,安装,X型(2磅密度)更像〜0.90-1 / ft ^ 2。X型由一些辐射优选加热承包商为其更好的主题保留,这使它们能够简单地将管子装订到泡沫(再次,在板的底部)而不是将其系在金属增强层,这更为劳动。
Torsten,
问:“我可以在那种情况下牺牲沙子吗?”
答:这不是一个牺牲,这是一个改善。失去了沙子!更快,更好。
Torsten - 沙子的另一个问题是:随着时间的推移,填充破碎的岩层中的所有空隙,以及在板中造成可能的裂缝,是什么?我同意马丁 - 失去沙子!
我会没有沙子,这也给了我足够的空间来做2“绝缘。
但是,这是筹集更多问题的卷:
1.)如果我使用的话,蒸汽屏障的厚度和品牌是多少康宁XPS泡沫塑料250?
2.)在我用时,在其中放置蒸汽屏障。
这2英寸克里特省热,其列出了烫发电阻(ASTM E96-00)值.51 PERMS,或
这碎片,该水蒸气渗透率ASTM E-96值为0.36型彼此,最大。
泡沫上方的蒸汽延迟器?
建筑科学答案是失去沙子,并直接在混凝土下方放置蒸汽延迟器。我认为从实际的角度来看,将气旋器放在泡沫上方的另一个原因是防止在倒入中将泡沫部分漂浮到混凝土中的可能性/概率。所以你永远不会把泡沫放在蒸汽屏障之上,右边?
除非有一个非常令人信服的原因,否则我在加热板上有点老了,并不会看那些面板产品。有许多产品可以促进易于安装,但这已经很容易。在刚性绝缘层上撕开45度斜面,并将其安装在顶部的斜面上的周边墙壁。在没有罚款的情况下安装压碎的岩石,因为板式底座,压实非常平坦。将刚性的绝缘放在岩石上,然后将VB放在绝缘体上。在1-1 / 2“Dobies上安装#3钢筋垫。将管道绑在钢筋顶部。倒入4-1 / 2”板坯。当你制作1“深度控制切割时,你就不会撞到管道
Torsten,
抱歉没有回过辐射设计,一直很忙。
正如其他人所说,失去沙子,它没有任何好处。它是否应该最终弄湿它实际上会伤害性能。必须在计算中占据六英尺六英尺内的水。
我多年来使用过这个产品,并通过板坯的性能和降雨来发现,所有索赔/测试都是准确的。边缘绝缘也应该不忽视或省略,绘图中缺失。
http://www.nofp.com/barrier-sales.pdf.
达纳再次触动了一个非常重要的观点。管道不属于板块的底部。在发生此讨论时,膨胀关节通常是主题。首先,有2种类型的板坯,那些破裂的板和尚未破解的板坯。野兽的性质,如果不是这样我们不需要扩展关节。扩展关节只是板坯破解而不是由于条件而裂开的地方。这些关节应具有所识别的位置,管道应在任何一侧蘸6英寸,或者如果要被锯切,则切割不需要超过1/2 - 3/4“深。
多谢大家的评价。关于在底部与中间的管道,我喜欢它易于管理的想法,安装的装置简化了,在倾倒混凝土和沿着道路上,损坏了PEX的风险越大。而且我会延迟回应,甚至可以准备好放弃一点最佳性能。
这就是为什么我喜欢Creatherme或Crete-Meat的概念,但它听起来像那些不是真正的选择,因为绝缘和混凝土之间没有蒸汽屏障/延迟器?
理查德,谢谢你建议Nofp材料,如果我仍然保留沙子,并无法做到2“绝缘,我现在很可能会和屏障X5一起去:)但是因为我失去了沙子,我有空间与2“泡沫泡泡150或竞争的道德产品一起使用,无论哪一个更容易获得这里。
关于在板坯和基础墙壁之间添加热休息,我们在这里需要休息多重?愿意1/2“Greenguard®类型4 XPS绝缘板做诀窍吗?
对于内部周边基础的绝缘,并在拍打和周边基础之间产生热断裂,在有蒸气屏障属于某个地方吗?
FYI,外界基础的外部没有适当的排水或绝缘,我从现在开始几年地处理那条路,只是不是现在......
我在想使用绝缘排水板,通道再次混凝土,然后是蒸汽屏障 - 蒸气滞后?- 在绝缘排水管上以避免任何水分问题。
这有意义还是有更好的方法来避免水分问题?
建议使用什么,如果有的话,蒸汽屏障/延迟器产品适用于此周边基础应用?
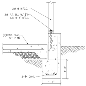
Torsten,
我正在附加一款平板为单位的细节,向您展示在板的周边安装垂直绝缘的一种方法。(这不是一个很好的细节,因为它是不完整的 - 它没有显示碎石层或聚乙烯。但它为您提供了一般的想法。)
我认为这并不重要,你如何如何在板坯周边终止聚乙烯(未示出)。即使在板坯的边缘和基础壁的边缘之间没有聚乙烯,刚性泡沫也将是足够的蒸气延迟器。
你指的是“水分问题”。如果您现有的基础具有特定的水分问题,您应该描述它们。除非你告诉我们更多关于这些水分问题,否则很难提供建议。
。
谢谢马丁。真的没有滋润问题。我们将在生活空间转化为生活空间的地区以前用作车间区域,混凝土基础墙体被曝光。只有一个或两个非常小的区域,混凝土被修补,可以看到次要的泡沫渣残留物,但自1953年以来,基金会已经存在,我猜测可能在预期范围内在这么长的时间内在预期范围内?
因此,基于之前提到的,将不需要添加聚乙烯在那里我将在现有的基础墙上安装1“刚性绝缘层?
除了现有的基础墙上,我们会倒一个新的茎墙再次倾斜爬行空间。如果添加任何聚乙烯,则应添加任何聚乙烯。在杆墙的后面,它面向倾斜的爬行空间?或者在板坯和新杆壁之间的1“刚性绝缘是所需的一切?
而且增厚的平板边缘将是一个挑战吗?我只是想知道它会达到这种方式的刚性绝缘的可行性,意味着在板坯下方和加厚的平板边缘下方,然后在混凝土倒入时保持到位。
基于您的聚乙烯终止言论,我将计划在加厚的平板边缘周围缠绕聚乙烯,但不达到边缘的顶部。
一英寸的XPS并不大部分热断裂。它少于R5-比我想的那么好,但并不完全伟大。高于等级壁上的2×6具有R14或更高的全壁性能,因此加热辐射器上的R5-ISH板边缘仍然是热设计中的弱点。如果您在基础墙上添加了1英寸的外部泡沫,并且在板坯和脚之间的1“XPS,您将在大约R10-R11用于该条纹,这更合理。
尚未解决的另一个问题是5英寸板坯的较高的热质量,这使得作为散热器的响应较少,更难以控制到最大舒适度。如果管道位于板块的底部而不是如果如前所述,定位2“下表面下方。如果板坯厚度可以减少到4“,可以更容易地控制,使用较低的幅度室温过冲/下部控制。
Torsten,
Dana Dorsett为您提供了在平板周长上对更多R值的需求的良好建议。
我希望您所在地区有能力的建筑师和有能力的混凝土承包商来帮助您解决这些细节。你真的不想要的专业人士,他们不了解绝缘问题的工作才能为你的房子工作。
问:“是增厚的平板边缘是一个挑战吗?我只是想知道它是如何让刚性绝缘的可行性,以这种方式布局,意味着在板坯下方和加厚的平板边缘下方/周围。然后在混凝土倒入时保持它到位?“
答:你可以做到。我有。你想要一个刚性泡沫下的碎石层;你想要一个合理的斜坡,其中板坯从厚到薄;你想仔细切割刚性泡沫;如果刚性泡沫显示任何移动或滑动的迹象,则要使用高质量的胶带将刚性泡沫固定到位。
顺便说一句:我不明白你为什么需要一个加厚边缘的板条。毕竟,你有一个杆墙来承受墙壁和屋顶的负荷。为什么不刚安装均匀厚度的板坯(通常是4英寸)?
我的问题是Martin关于板坯设计的同样的问题。板坯级施工通常是用等级梁(加厚边缘)或阀座上的杆壁,但我从未见过这两者。直接通过杆壁的基础支撑平板的边缘,倾向于使板坯更容易发生开裂,而不是让它浮动。
我想到了整个设计可能存在问题:我们生活在一个地区 - 一个红色的区域?- 随着亚洲地形白蚁,作为检验的一部分,当我们买房子时,甚至呼吁有迹象存在以前的活动和治疗。
我们发现在演示期间楼上上楼的先前活动证明,甚至必须在楼上的浴室演示时“见到”他们:亚地形白蚁。
通过断开板坯与周边墙壁的连接并计划使用XPS,我只是将门打开到亚洲地形白蚁穿过外围绝缘的?
对整个子地区白蚁问题的任何思考吗?我的方法将使垂直绝缘端1“在混凝土表面下方,以防止它们通过。
白蚁问题还需要更改层的顺序,意思是,如果6“母线聚乙烯应该低于2”刚性绝缘,以帮助保护刚性绝缘来自子地形白蚁?
Torsten,
我将推迟在白蚁问题上的其他GBA读者,因为我生活在白蚁线的北方,并且在白蚁问题中没有经验。
也就是说,我知道聚乙烯不是白蚁屏障。如果您想要白蚁障碍,您需要一个类似的不锈钢网泰语。
Torsten,
您可以购买对待的EPS以保持白蚁。我同意Andrew关于蒸汽延迟器下方的泡沫。还有另一个原因,超越了什么,而且现在正在逃脱我。你有没有想过珍珠岩?我昨天与富人的Pedrantii谈过,他们设计了斯克兰顿pH,他喜欢板坯的珍珠岩。有些人甚至认为你可以用它来代替压实的砾石。
压实的清洁沙子是一个相当有效的白蚁障碍(我们现在回到那个?:-))
理论上白蚁可以通过子平板eps,但它们不侧 - 隧道通常在其他地方更好。在子板泡沫和平板边缘泡沫之间安装薄片铜或不锈钢啮合,在平板边缘泡沫下包装也是有效的白蚁屏障。铜对柄菌菌群有毒,即蚂蚁,白蚁和木材无聊的黄蜂和蜜蜂需要消化木材。甚至少量铜浸出到泡沫或土壤中会产生撞击。但不锈钢网也适用于机械屏障。
只要在板边缘泡沫和基础门槛或木材底板之间使用该路径,可以轻易检测到使用该路径之间的机械或化学屏障。
思考盒子的边缘(如果没有完全出来)更昂贵的解决方案是安装6-8英寸的宽带低密度的低密度充气,作为平板边缘绝缘,这也将是对昆虫的有效机械障碍。
根据您的预定底板和踢脚板修剪选择,您可以通过仅使用密集,硬,非木质材料来设计在板坯边缘泡沫上方的有效机械屏障。
哇,沙子评论带给我回到我开始的地方吗?极好的!
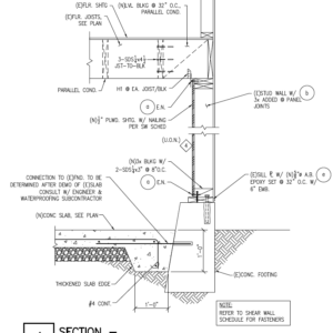
并且,从我的工程师那里获得所需的工程师的反馈,即需要加厚的平板边缘并且重视所有优点,现有结构以及所在的位置,以及所在的位置,他建议消除垂直绝缘,连接在所有地点的基础上,单片倒。
最后尝试至少减少发生热桥接的表面量,我提出了附带的草图。但在思考它之后,我现在质疑结果是否甚至可以证明努力,鉴于真正被影响的两个区域仅为203平方米(两个外墙)和147平方英尺(一个外墙)。
补充说,较小的房间只是客房和另一个房间,以及我的办公室/客人,以及今年中的数度几个月,我甚至没有热量,而不是白天,a.k.a. office hours, and I am ready to make my peace with the (heat) losses at this point.
Torsten,
您需要在混凝土的外侧安装绝缘层,向下到脚的底部,并用金属闪光或灰泥保护绝缘的上述等级部分。
如果您对此保温的重要性有任何疑问,请阅读Kohta Ueno最近的评论:
https://www.greenbuildingadadadisor.com/articles/dept/musings/are-new-homes-getting-better#comment_68186.
快速跟进膨胀节。(管道将与5英寸板块中间的钢筋连接。)
你是否使用任何东西来保持管道倾斜并在倒入时到位?
在控制接头处有是否需要其他保护?(例如,欧博诺在膨胀接头两侧提出6英寸的套筒或更大的直径管,如果管道必须在那些点处留在板坯中,这是这种情况。)