
虽然冠状病毒大流行占最近的头条新闻,但气候变化没有消失。许多专家都在呼唤“绿色“经济复苏将投资指导到低碳能源和技术。
建筑物账户美国总能耗的40%,相比,行业的32%和28%的运输。状态和城市雄心勃勃的气候行动计划正在努力将建筑物的排放减少到零。这意味着最大化能源效率,以减少建筑能源使用,然后提供由无碳源产生的电力的剩余能量需求。
我的同事和我学习最好的方法快速减少建筑业的碳排放量。近年来,建筑设计急剧提升。净零能量建筑,从可再生源的现场产生它们所需的能量,越来越多是默认选择。但要加速过渡到零碳排放,我相信美国必须考虑更大,并专注于设计或重新开发整个零能量的整个社区。
在地区一级的建筑物中处理能源使用提供规模经济。建筑师可以部署大型热泵和其他设备,以在一天的交错时间表上提供多个建筑物。带家庭,工作场所,餐馆,娱乐中心和其他服务的地区,可操作社区的共同服务也显着降低运输所需的能源。在我看来,这种不断增长的运动将在帮助美国和世界讲话中发挥越来越重要的作用。
环境环距加热和凉爽
加热和冷却是建筑物中最大的能源用途。区域设计策略可以更有效地解决这些负载。
区供暖有长期以来在欧洲使用以及一些美国大学和其他校区。这些系统通常具有中央植物,该植物燃烧天然气以加热水,然后将其循环到各种建筑物。
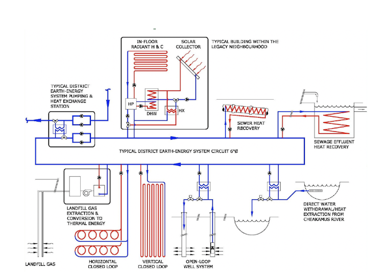
为了实现零碳排放,最新策略使用称为一个设计的设计环境温度环它同时和有效地均热量和冷却不同的建筑物。这一概念首先为不列颠哥伦比亚省惠斯勒奥林匹克村开发。
在典型的环境回路系统中,泵通过埋在霜线下方的未绝缘管道网络循环水。在这种深度,土壤温度接近该位置的年平均气温的温度。随着水通过管道移动,它会朝着该温度升温或冷却。
各个建筑物的热泵或沿环境环路的其他点加入或从环中提取热量。它们还可以在深层地热井和循环水之间移动热量。
该环路还通过中央工厂循环,使其保持在最佳温度范围内,以进行最大热泵性能。该植物可以使用冷却塔或废水去除热量。它可以通过可再生源(如太阳能热收集器),可再生燃料或由可再生电力供电的热泵添加热量。

将废水耗尽使用
目前正在开发的可能零能量区的一个例子,国家西部中心,目前在丹佛省正在建设中的多用校园,以容纳全国西方股票市场和其他专注于食品和农业的公共活动。
在将水送到处理厂之前,携带城市废水的6英尺直径的管道运行地下。全年水温停留在61°F至77°F的窄范围内。
废水管和热交换器在整个地区的环境环路循环水中传递热量。该系统在冬季提供热量,并通过热回收冷却器在夏季吸收热量,这些冷却器是热泵,可以同时提供加热和冷却。该策略以非常高的效率为各个建筑提供服务。
用于操作热泵,照明等设备的电力将来自现场的光伏和风力和太阳能发电,从外地进口。
在奥斯汀的集成低能量外壳
另一个将最小化碳排放的地区是耳语谷社区,在德克萨斯州奥斯汀建设中。这2,000英亩多用发型开发包括7,500家全电动房屋,200万平方英尺的商业空间,两所学校和600英亩的公园。它的设计已经收到了一个绿色建筑奖。
耳语谷将在一个集成的能量系统上运行,包括广泛的环境回路网络,通过热泵和位于每个房屋的热泵和地热井冷却。每个房主都可以选择包括一个5千瓦屋顶太阳能光伏阵列,用于操作热泵和节能器具,包括热泵热水器和感应炉灶。根据开发商的说法,耳语谷的规模经济允许典型奥斯汀房屋低于50,000美元的中位数销售价格。
零能量社区的未来
国家可再生能源实验室,劳伦斯伯克利国家实验室和其他项目合作伙伴正在开发一个呼吁开源软件开发套件Urbanopt.零能量区的型号元素,如建筑效率/需求灵活性策略,屋顶光伏阵列,环境环路区热系统。该软件可以集成到其他计算机模型中,以帮助零能量社区的设计。NREL工程师一直与全国各地的高性能区项目(如国家西部中心)有助于帮助通知和指导Urbanopt平台的发展。
我描述的项目是新的建设。在经济上经济地在现有建筑物或社区中实现净零能量更加困难,但有些方法可以做到这一点。应用那些效率措施是有意义的最具成本效益的改造,将建筑物加热和冷却系统转换为电力,并用光伏提供电力。
公用事业越来越多地提供使用时间率计划,这在高需求期间收取电力使用更多。新兴的家庭能源管理系统将允许家用业主加热水,充电家用电池和电动车辆,并在电价最低的情况下运行其他设备。无论我们谈论新的或现有的建筑,我都认为可持续的零能源社区,通过可再生能源提供支持,因为我们解决了气候变化危机的未来的浪潮。
- Charlles F. Kutscher是可再生和可持续的能源研究所的一家,该研究所是科罗拉多州大学和国家可再生能源实验室的合资企业。这篇文章最初出现在谈话并在创造性的公共许可证下发布。
3评论
>现场光伏
公用事业量表太阳能更具成本效益,较小的规模太阳量几乎从不使用。在允许秤上的栅格中进行分解比实用性要大得多更好。认为“净或低能源国家”,没有净零任何更小。
我们需要的是自由能源。毕竟宇宙充满了它,它到处都是。我们刚刚被吸入支付利用和传输它,使用免费来自地球的材料。几乎与必须支付从天空落下的水一样糟糕。我们都需要水来生存并做任何事情,所以它应该是给定的,Sames用于能量。
我的每月互联网账单,2个陆地线上超过了我的月度天然气和电费结合。如果您在网格上,天然气就是如此便宜,现在很难证明任何超越的代码信封改进。必须考虑对化石燃料提取社会的总成本持续有意义地保护。
登录或创建帐户以发表评论。
注册 登录